Modifié : 26 sep.  2017

Dual GATED SLEW

In english
retour au sommaire


Description
Ce module utilitaire permet de créer des effets de portamento. Il est double et chaque sous-module dispose de ses propres réglages : potentiomètre SLEW RATE définissant la vitesse de glissement, le jack GATE permettantd'activer/désactiver l'effet de portamento (uniquement dans le mode LIN) : signal GATE >1,5V portamento actif, signal GATE < 1,5V portamento inactif. Par défaut (pas de jack inséré dans le socle) correspond au mode actif. Ce mode est indiqué par un témoin lumineux à LED. Les différent types de fonctionnement sont conditionnés par deux interrupteurs:
Le premier interrupteur est à trois position et définit la phase active de portamento :
Le premier interrupteur est à deux position et définit la forme de la pente de portamento :

  1. portamento ascendtant seul
  2. portamento ascendant et descendant
  3. portamento descendant seul
  1. mode linéaire (pas de contrôle de GATE)
  2. mode logarithmique slew (contrôle de GATE possible)

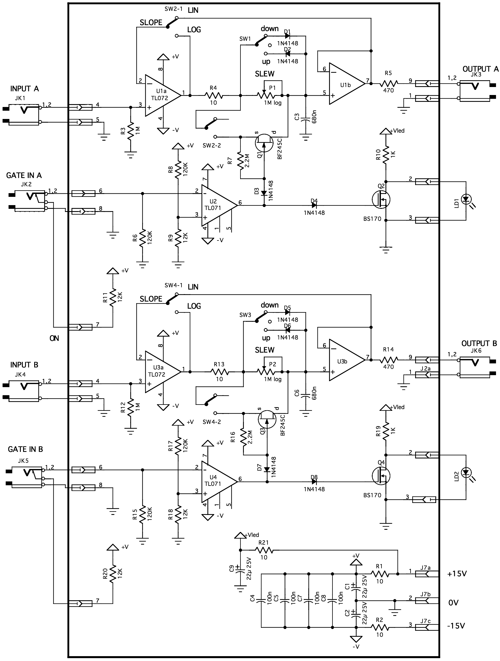
Schéma électronique



Principe de fonctionnement

Mode LOG  :
Dans ce mode U1a agit en tant que suiveur de tension (signal de sortie réinjecté dans l'entrée inverseuse) et sert de tampon d'entrée. Considérons que SW1 est sur sa position médiane. Dans ce cas, la tension à la sortie de U1a va soit charger C3 (si cette tension est spérieure à celle aux bornes de C3), soit décharger C3 (si la tension est inférieure à celle aux bornes de C3) au travers de R4 et P1. Plus la valeur sélectionnée par P1 sera grande plus long sera le temps de charge/décharge de C3. Ensuite, U1b agit en tant que suiveur de tension et transmets la valeur de la tension aux bornes de C3 vers la sortie.
Si nous basculons SW1 sur la position Up, alors la diode D2 court-circuite dans un sens le potentiomètre P1 et le temps de décharge de C3 ne dépend plus que de R4 (10 ohms) et donc est quasi-instantané alors que le temps de charge rete dépendant de P1. Maintenant si nous basculons sur la position Down, alors c'est la diode D1 qui court-circuite P1, dans ce cas c'est le temps de charge qui devient instantané et le temps de décharge qui dépend de P1.


Mode GATED  :
Maintenant intéressons nous au rôle joué par le transistor FET Q1. Dans cette configuration il se comporte comme un simple interrupteur monté en parallèle de P1. Quand une tension positive est appliqué sur la grille du FET, la résistance drain-source de Q1 chute à une valeur aux alentours de 50 ohms et donc court-circuite P1 qui devient inopérant. Maintenant, si nous appliquons une tension négative (ce qui est la situation par défaut) la résistance drain-source est de plusieurs dizaines de mégohms et donc est très grande par rapport à P1 qui de fait redevient actif. Par défaut quand aucun jack n'est inséré dans le socle GATE, R11 est connectée à l'entrée du comparateur U2, la tension positive qui en résulte est supérieure à celle définie par le pont diviseur de tensionR8-R9. En conséquence la sortie du comparateur se trouve à un potentiel négatif (proche de -14V) et donc ouvre le FET Q1, le portamento est actif. Similairement une tension nulle est appliquée au MOSFET Q2 (D4 bloque le potentiel négatif), en conséquence la résistance drain-source de Q2 est infinie et le courant qui circule au travers de R10 alimente la DEL LD1 qui va donc briller de mille feux !
Si un jack de contrôle est inséré dans le socle GATE et que la tension est de 0V (GATE OFF), la sortie du comparateur va basculer et une tension positive se trouvera appliquée aux grilles de Q1 et Q2. De fait, la résistance drain-source de Q1 et Q2 va devenir quasiment nulle. En conséquence P1 et LD1 se trouvent court-circuité, l'effete de portamento est inactif et la DEL éteinte. Si le signal de GATE passe à une tension positive, alors la sortie du comparateur devient négative et P1 redevient actif et la LD1 est allumée.

Mode LIN  :
Dans ce mode U1a ne constitue plus un suiveur de tension d'entrée mais est également asservi par la tension de sortie du module, de ce fait la tension en sortie de U1a sera égale à la différence entre le signal d'entrée et le signal de sortie. Dans cette configuration le courant de charge/décharge de C3 ne dépend plus de la tension instantanée aux bornes de C3, ce courant reste donc constant. De ce fait la courbe de charge/décharge de C3 n'est plus logarithmique mais linéaire. Cependant, le FET Q1 doit être déconnecté du circuit car dans cette configuration particulière il ne se comporte plus comme un simple interrupteur. C'est pourquoi l'interrupteur SW2-2 déconnecte Q1 du circuit en mode linéaire.

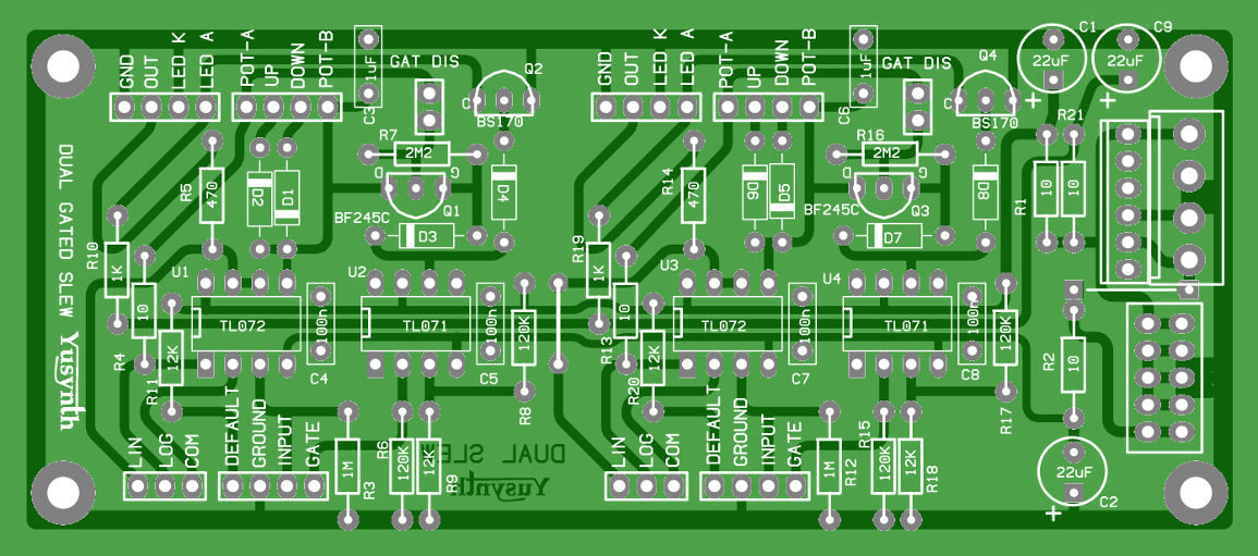
Circuit imprimé et disposition des composants

Circuit imprimé


Composants









Téléchargez le schéma en fichier PDF
Téléchargez le typon du C.I. en fichier PDF


ATTENTION! Le document est formaté pour être directement imprimé sur un mylar pour photogravure ou sur du papier "press & peel". Assurez-vous que la face imprimée soit appliquée sur la face cuivrée du C.I., le texte doit alors être lisible directement.


Liste des composants

référence
valeur
quantité
U1,U4
TL072
2
U2,U3
TL071 (ne pas utiliser de 741 cela ne marcherait pas!)
2
Q2,Q4
BS170
2
Q1,Q3
BF245
2
D1,D2,D3,D4,D5,D6,D7,D8
1N4148
8
R1,R2,R4,R13,R21
10 ohms
5
R5,R14
470 ohms
2
R10,R19
1k
2
R9,R11,R18,R20
12k
4
R6,R8,R15,R17 120k
4
R3,R14
1M
2
R7,R16
2.2M
2
C4,C5,C7,C8
100nF
4
C3,C6
680nF or 1µF polyester multi couche jaune LCC
2
C1,C2,C9
22µF/25V electro.
3
LD1,LD2
red LED
2
P1,P2
1M  potentiomètre LOG
2
Jk1,Jk2,Jk3,Jk4,Jk5,Jk6 6.5 mm socle jack
6
SW1,SW3
interrupteur à bascule 3 positions 1 circuit (ON OFF ON)
2
SW2,SW4
interrupteur à bascule 2 positions 2 circuits
2

Câblage




Face avant
Conception


Téléchargez la sérigraphie en fichier PDF


Téléchargez la sérigraphie en fichier JPEG 



Réglages


This circuit requires no setting or trimming. It must work right away.


Références

Information et datasheet du BF245
Information et datasheet du BS170  
La galerie des constructeurs
Voici des photographies des modules yusynth ARP fabriqués par d'autres bricoleurs de par le monde.


Nom  : Patrick
Pseudo : Baronrouge
Projet modulaire: JHC live lab
Lieu : Toulon, France
Site web  : http://myspace.com/patjhc
Nom  :
Pseudo : Julien
Projet modulaire:
Lieu : France
Site web  :
Nom  :
Pseudo : Sebo
Projet modulaire:
Lieu : Argentine
Site web  :http://www.cosaquitosenglobo.com.ar


Nom  : Frédéric Monti
Pseudo : Zarko
Projet modulaire:
Lieu : Gardanne, France
Site web  :




retour au sommaire