Modified : jan 31st. 2008

COMPARATORS

En français
back to summary


Description


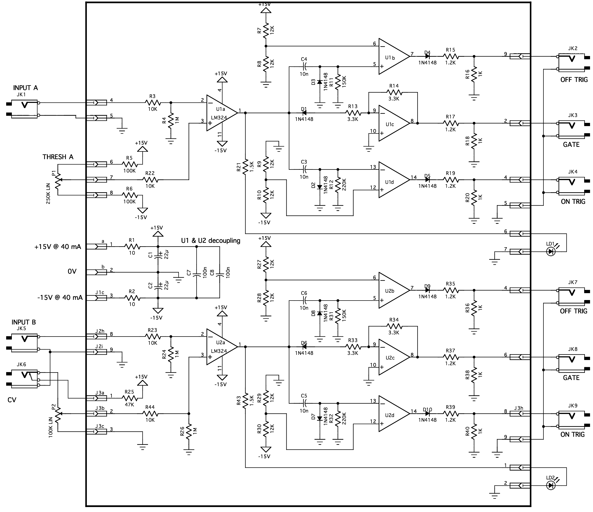
This COMPARATORS module is very useful utility module to create GATE signal and pulses from another source of signal. It can be used either to process modulation CVs or audio signal (though i's not a GATE extractor as it can be found with envelope followers).  Basically, one connect a modulation source (LFO output, noise generator...) to INPUT A. As long as the input voltage is smaller than the voltage threshold set by the potentiometer THRESHOLD A (over a -8V to +8V range), the GATE OUT remains low (0V) and as long as the input voltage is higher than the threshold then GATE OUT is high (5V) and the LED is lit. There are two other outputs called ON TRIG and OFF TRIG. At these outputs, 2ms pulses are triggered each and everytime that the input voltage crosses the trheshold voltage. A 2ms pulse will be appear at ON TRIG when the input voltage becomes higher than the threshold, a 2ms pulse will be appear at OFF TRIG when the input voltage becomes smaller than the threshold.

The second COMPARATOR submodule has one more input : CV threshold. This CV makes it possible to control the threshold level with an external module. When no jack is inserted in the CV input, the CV THRESHOLD B acts the same as in the section A but over a range of 0V to +8V

Schematic



How it works :


Printed Circuit Board and Component Layout

PCB design


Layout





Download the schematic as a PDF file 
Download the PCB as a PDF file 

WARNING ! The document is formatted to be printed directly on a mylar for photo-etching or a "press & peel" paper. Make sure that when the printed face of mylar is in contact with the copper side of the PCB, the lettering can be read normally.


List of parts and building instructions

reference
value
number
U1,U2
LM324
2
D1,D2,D3,D4,D5,D6,D7,D8,D9,D10
1N4148
10
R1,R2
10 ohm
2
R16,R18,R20,R36,R38,R40 1K
6
R15,R17,R19,R35,R37,R39
1.2K
5
R21,R41
1.5K
2
R13,R14,R33,R34
3.3K
4
R3,R22,R23,R42 10K
4
R7,R8,R9,R10,R27,R28,R29,R30 12K
8
R25
47K
1
R5,R6 100K * these values may be adjusted to obtain a different threshold range
2
R11,R31 150K
2
R12,R32 220K
2
R4,R24,R26 1M
3
C3,C4,C5,C6
10nF
4
C7,C8
100nF
2
C1,C2
22µF/25V electro.
2
P2
100K lin potentiometer
1
P1
250K/220K lin potentiometer
1
LD1,LD2
orange LED
2
Jk1,Jk2,Jk3,Jk4,Jk5,Jk6,Jk7,Jk8,Jk9
6.5 mm jack socket
9

Wiring



Front plate
Panel design

Download the silkscreen mask as a PDF file 
Download the silkscreen mask as a  JPEG file 



Trimming


This circuit requires no setting or trimming. It must work right away.

The DIY builders' gallery
Here are the photographs of the yusynth COMPARATORS modules built by other synth geeks around the world.
Thank you  guys for sending me these nice photos.



Name : Jordi
Modular project :
Location:
Web site :
Name : Frederic Monti
Modular project :
Location: Gardannes, France
Web site :


back to summary