Updated : jan. 30th, 2016 ARP VCF
En français 
back to summary


Description

The ARP4072 filter equipped mostly the famous ARP2600 semi-modular synthesizer.
I designed my own version of this filter. I have included in the design an input buffer stage and an ouptut buffer stage.
The output buffer stage is also used to compensate the loss of low frequencies that is generally observed at high resonance in 24db/octave filters such as the famous Moog ladder.
Curiously enough, neither Bob Moog nor Alan Richard Pearlman cared to compensate for this loss. This is strange knowing that it is quite a simple modification. Such compensation was introduced by Roland for the  filter of their nowadays very sought after TB303 !

On the two boards I built of this filter I obtained pure sinewave auto-oscillation at high resonance within the range 20Hz-20kHz, for the first board, and within the range 60Hz-20kHz for the second board.


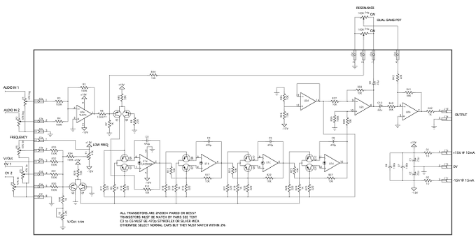
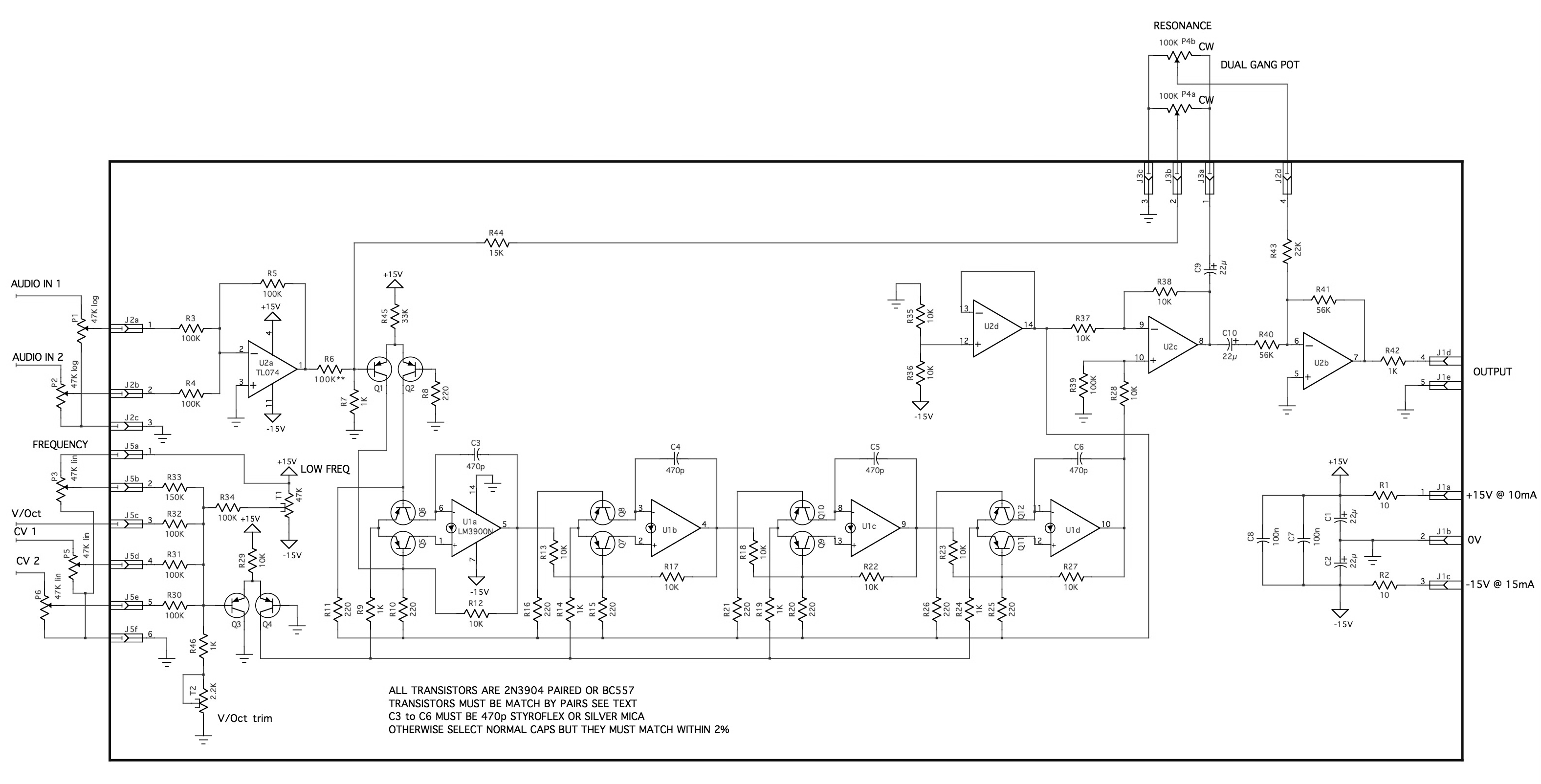
Schematics




The heart of this circuit is based on the EFM-VCF7b (which is an adaptation of the original ARP-4072 VCF). I have added two inverter buffer stages, one for the input signal (U2a) and one for the output signal (U2b). The second stage (U2b) plays also another part? In fact it is used as a adder inverter which adds the signal taken after the resonance potentiometer (through R43) to the direct output signal (through R40).  This trick is used to increase the gain of the final stage and to compensate the drop of the signal when the resonance is cranked up.
You may use simple PNP transistors such as BC557 or 2N3906. The only thing is that you will have to match the NPN by pairs downto 2mV VBE and take care of the pin outs which are different for BC557 and 2N3906.


Printed circuit boards and component layouts

NOTE : the PCB and a component kit for this module are now made available by Soundtronics 
Transistor based PCB






This is the component layout for the 2N3906 version, if you use BC557 rotate them 180° before soldering them.
Component layout
BC557 version



2N3906 version


Get the schematic as a PDF file
Get the PCB as a PDF file



Building details

reference
value
quantity
U1
LM3900N
1
U2
TL074
1
Q1 to Q12
either 2N3906 or BC557 matched by pairs (caution the pin out is different, see layouts above)
12
R1,R2
10 ohms 5%
2
R8,R10*,R11*,R15*,R16*,R20*,R21*,R25*,R26*
220 ohms * matched to 1%
5% otherwise
9
R7,R9*,R14*,R19*,R24*,R42,R46
1k * matched to 1%
5% otherwise
7
R12*,R13*,R17*,R18*,R22*,R23*,R27*,R28*,
R29,R35,R36,R37,R38,R43
10k * matched to 1%
5% otherwise
14
R44
15k 5%
1
R40,R41
27k 5%
2
R45
33k 5%
1
R3,R4,R5,R6,R30,R31,R32,R34,R39
100k 5%
9
R33
150k
1
C3,C4,C5,C6
470p styroflex or capacitors matched to 2%
4
C7,C8
100n
2
C1,C2,C9,C10
22µF 35V
4
T2
2k2 or 2k multi-turn trimmer
1
T1
47k or 50k multi-turn t trimmer
1
P1,P2
47k or 50k log potentiometer
2
P13,P5,P6
47k or 50k lin potentiomter
3
P4
either 100k lin dual potentiometer or a single 47k potentiometer depending on the resonance option (see below)
1
Jk1,Jk2,Jk3,Jk4,Jk5,Jk6
female jack sockets
6
Wiring
General  wiring

Original ARP resonance at high resonance
(volume drop at low end)
Compensated resonance at high resonance
(no volume drop at low end)






Front panel
Panel design


Download the silkscreen mask as a PDF file

Download the silkscreen mask as a JPEG file



Trimming

V/Octave tracking :
  • Turn the frequency knob to 0, turn all the control knobs to 0 (fully counter clockwise)
  • Apply 0V to the V/Oct input
  • Measure the voltage at the basis of Q3 (node between R46, R30 to R34), adjust T1 in order to obtain 0V at this very node.
  • Apply 1V to the V/Oct input
  • Adjust T2 in order to measure 18.7mV at the previous node.
  • Apply 0V to the V/Oct input
  • Adjust T1 in order to measure -187mV at this very node.
  • After the Frequency range stting (see below) you may set the filter to oscilltion mode and slightly adjust T2 in order to achieve a good V/Octave tracking.
Frequency range setting :

  • Apply a 40Hz squarewave to one of the audio input, connect the output to an amplifier.
  • Set the FREQUENCY potentiometer to 0 (fully counter clockwise)
  • Adjust T1 until no signal can be heard at the output, that's it !

Optional settings

  • If you wish to change the range of the resonance potentiometer change the value of R44, increasing its resistance will reduce the resonance range, reducing the resistance will increase the auto-oscillating behaviour at maximum resonance.
Thanks to Thalassa77,  here is comparison of the Yusynth ARP clone and the genuine ARP 4075 filter.



References

Here are interesting links where to find schematics and infos about the ARP VCF :
  • ARPTECH, the old Joachim Verghese's site
  • Analog Metropolis ,
  • EFM kits, VCF7b
The DIY builders' gallery
Here are the photographs of the yusynth ARP modules built by other synth geeks around the world.
Thank you  guys for sending me these nice photos.



Name : Gergö PALATINSZKY
Modular project : Fractal / Frakta'l
Location : Budapest, Hungary
Website :
What a nice front panel indeed !

Name : Wasubot
Modular project :
Location :  Australia
Website :

Name : Czaba ZVEKAN
Modular project :
Location : Basel, Switzerland
Website :


Name :
Pseudo : Etaoin
Modular project : Casia MS01
Location : Utrecht, Netherlands
Website : www.casia.org/modular

Name : Suit and Tie Guy
Pseudo :
Modular project : STG-Soundlab
Location : Chillicothe, USA
Website :www.suitandtieguy.com
Name :
Pseudo : Funky40
Modular project :
Location : Switzerland
Website :


Name  : Patrick
Pseudo : Baronrouge
Modular project: JHC live lab
Location
: Toulon, France
Web site : http://myspace.com/patjhc
Name  : Frederic Monti
Pseudo : Zarko
Modular project:
Location
: Gardanne, France
Web site :



back to summary