Mis à jour : 25 nov 2016

Générateur de bruit

Echantillonneur bloqueur

In english
retour au sommaire


Description

Ce module simple largeur comporte deux sous-modules : un générateur de bruit (noise generator) et un échantillonneur-bloqueur (Sample & Hold).

Le générateur de bruit fournit trois signaux : un bruit blanc (distribution spectrale plane), bruit rose (distribution spectrale en 1/f c'est-à-dire avec une décroissance de 3dB/octave), et une tension aléatoire à période lente (fréquence inférieure à 6Hz).

L'échantillonneur-bloqueur (S&H) est doté de sa propre horloge dont la fréquence peut-être réglée entre 0.1Hz et 100Hz. Le jack clock I/O agit soit en entrée pour une horloge externe soit en sortie pour piloter un autre module suivant la position de l'interrupteur EXT/INT. La période de l'horloge est visualisée par une DEL jaune. Un « portamento » est inclus dont la réponse peut être soit linéaire soit exponentielle suivant la position d'un cavalier sur le circuit imprimé.

Par défaut, la sortie bruit blanc est raccordée au S&H.

J'ai dessiné trois circuits imprimés : un qui intègre les deux sous-modules (noise generator and S&H  processor), et un pour chaque sous-module pris séparément. Ainsi, il est possible de construire la configuration de son choix...

Quelques exemples sonores :

  • la fréquence du VCO YUSYNTH modulée par le signal RANDOM
  • la fréquence du VCO YUSYNTH modulée par le signal S&H, le SLEW RATE est modifié pendant l'enregistrement
  • le bruit rose (PINK) injecté dans un VCF passe-bas dont la fréquence est modulée par le signal RANDOM, la résonance du filtre est modifiée pendant l'enregistrement

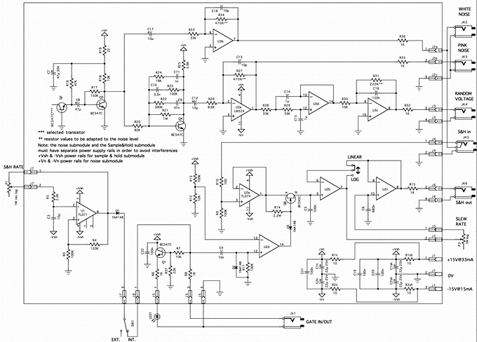
  • Schéma électronique



    Il est important que les deux modules soient alimentés par des lignes séparés. Ceci s'est avéré nécessaire pour supprimer les interférences entre l'horloge et le "trigger" du S&H avec l'étgae d'amplification du générateur de bruit !

    Générateur de bruit : le transistor Q2 est connecté comme une diode en polarisation inverse à la limite du seuil de Zéner ce qui a pour conséquence de générer un bruit blanc de quelques mV sur l'émetteur de Q2. Ce signal de bruit est fortement amplifié par Q3 (gain x50) et est dirigé vers U3b qui amplifie (x14) le bruit blanc pour un niveau de sortie de 2 à 3V.  Une partie du bruit blanc à la sortie de Q3 est  envoyé vers Q4 monté en amplificateur sélectif (gain x) basé sur le réseau R22-C9,R23-C10,R24-C11 qui lui confère une réponse passe-bas 3dB/octave basé. Le bruit rose ainsi obtenu est amplifié par U3a et envoyé vers la sortie PINK.  A la suite de cet étage se trouvent également deux cellules passe-bas (coupure à 5Hz) qui vont servir à extraire la tension aléatoire à très basse fréquence.

    Echantillonneur-bloqueur : U1 est un AOP dans une configuartion classique de multivibrateur astable. Les valeurs de R3, R4, R5, C3 et P1 définissent la fréquence de travail entre 0,1Hz et 10Hz. La crête positive du signal d'horloge est transmise par la diode D1 vers le commutateur qui permet de choisir entre l'horloge interne et une horloge externe. Le transistor Q1 pilote la DEL qui s'allume en rhythme avec la période de l'horloge.  Le condensateur C4 sert à différencier le signal d'horloge et génère une brève impulsion positive de largeur constante (10ms). Cet impulsion est mise en formz par le comparateur construit autour d'U2d. La diode D2 sélectionne la partie négative de l'impulsion pour piloter la porte (gate) du FET Q2.


    Circuits imprimés et implantation de composants

    NOTE : le Circuit imprimé ainsi qu'un kit de composant peuvent être achetés chez Soundtronics.co.uk

    Circuit imprimé
    Noise+S&H


    Implantation

     





    Téléchargez le schéma électrique sous la forme d'un fichier PDF

    Téléchargez le circuit imprimé sous la forme d'un fichier PDF

    Circuit imprimé Noise


    Implantation

    Téléchargez le schéma électrique sous la forme d'un fichier PDF

    Téléchargez le circuit imprimé sous la forme d'un fichier PDF
    Circuit imprimé
    S&H


    Implantation

    Téléchargez le schéma électrique sous la forme d'un fichier PDF

    Téléchargez le circuit imprimé sous la forme d'un fichier PDF
    Note : ne pas oublier de positionner le cavalier dans le sous-module S&H pour définir le comportement linéaire/exponentiel du "portamento".

    Composants et détails de construction

    Sous module Echantillonneur-Bloqueur
    référence
    valeur
    quantité
    U1
    LM741/TL071
    1
    U2
    TL074
    1
    Q1
    BC547
    1
    Q5
    BF245B
    1
    D1,D2,D3
    1N4148
    3
    R1sh,R2sh
    10
    2
    R10
    100
    1
    R5,R6,R8,R15
    1K
    4
    R7,R12
    10K
    2
    R37
    22K
    1
    R3,R9,R11,R13
    100K
    4
    R4
    120K
    1
    R14
    2.2M
    1
    C4
    1n (toute valeur entre 1n et 10n fera l'affaire)
    1
    C5*,C19,C20,C22
    100n, * LCC jaune, céramique pour les autres
    4
    C6
    680n LLC jaune
    1
    C3
    10µF/35V électrochimique 1
    C1sh,C2sh
    22µF/35V électrochimique 2
    P1
    500K potentiomètre audio inverse  (ALPHA)
    1
    P2
    1M potentiomètre log
    1
    SW
    SPDT commutateur
    1
    LED1
    LED jaune
    1
    Jk1,Jk5,k6
    female jack socket
    3
    Sous-module générateur de bruit
    référence
    valeur
    quantité
    U3
    TL074/LM324
    1
    Q2*,Q3,Q4
    BC547, *sélectionner pur un niveau de bruit maximal et un spectre blanc
    3
    R1n,R2n
    10
    2
    R19
    22
    1
    R32,R35,R36
    1K
    3
    R25
    3.9K
    1
    R26
    8.2K
    1
    R18,R30
    10K
    2
    R24
    18K
    1
    R28,R29,R33
    33K
    3
    R16
    47K
    1
    R20
    82K
    1
    R23
    100K
    1
    R17
    150K
    1
    R31
    220K
    1
    R22
    390K
    1
    R27,R34
    470K
    2
    R21
    1M
    1
    C13,C18
    10p ceramic
    2
    C11
    1n LCC jaune 1
    C10
    3.3n LCC jaune 1
    C9
    47n LCC jaune 1
    C21
    100n ceramic
    1
    C16
    150n LCC jaune
    1
    C14,C15
    1µF LCC jaune non-polarisé
    2
    C12,C17
    10µF/25V électrochimique
    2
    C7,C8
    47µF/25V électrochimique 2
    Jk2,Jk3,Jk4
    socle jack femelle
    3
    Câblage


    Face avant
    Dessin du panneau


    Téléchargez la sérigraphie sous forme d'un fichier PDF 

    Téléchargez la sérigraphie sous la forme d'un fichier JPEG


    Réglages


    Le réglage est très simple. Il consiste uniquement à touver un transistor Q2 qui donne le niveau le plus élevé de bruit et le mieux équilibré avec un spectre le plus uniforme possible. Dans ce but, il est préférable de ne pas souder Q2 en place mais d'utiliser un support de transistor. Ainsi, il sera facile de mettre et enlever les transistors en test. Une fois le bon transistor sélectionné il suffira de le souder en place après avoir enlevé le support. Lors des tests ne mesurer le niveau de sortie et le spectre qu'après que le transistor ait atteint sa température de fonctionnement, en moyenne 1 min suffit.
    Eventuellement certaines valeurs de résistances (indiquées par ** sur le schéma) peuvent être changées de façon à adapter les niveaux de sortie.

    Ci-dessous, j'ai mesuré le spectre audio obtenu par les deux exemplaires que j'ai fabriqué.


    Spectre audio mesuré - sortie bruit rose (le 0dB est arbitraire)


    Spectre audio mesuré - sortie bruit rose (le 0dB est arbitraire)


    Références

    Quelques références intéressantes sur la génération de bruit :

    Quelques distributions spectrales sur le site de Grant Richter
    Eliott sound project :

    La galerie des constructeurs
    Voici des photographies des modules yusynth ARP fabriqués par d'autres bricoleurs de par le monde.


    Nom  : Patrick
    Pseudo : Baronrouge
    Projet modulaire: JHC live lab
    Lieu : Toulon, France
    Site web  : http://myspace.com/patjhc
    Nom : Czaba ZVEKAN
    Projet modulaire :
    Lieu : Bâle, Suisse
    Site web  :
    Nom  : Fédéric Monti
    Pseudo : Zarko
    Projet modulaire:
    Lieu : Gardanne, France
    Site web  :

    retour au sommaire