Mis à jour : 26 mai 2018

VC-LFO

version n°2
In english
retour au sommaire


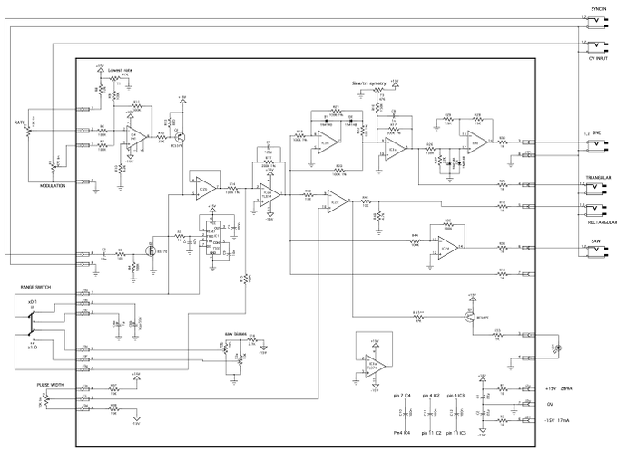
Description


Ce module est très utile dans un synthétiseur modulaire. Il fournit des signaux de controle oscillants à très basse fréquence. La fréquence d'oscillation de ce module peut également être contrôlée en tension ce qui est un avantage certain par rapport à un LFO classique. De plus, l'oscillation peur-être synchronisée par un signal externe. La synchronisation s'effectue sur le front montant du signal externe.
Dans cette version, la fréquence est ajustable de 0,1Hz (période de 10s) à 100Hz (période de 10ms) ou bien de 0,01Hz (période de 100s) à 10Hz (période de 100ms) suivant la position du sélecteur de gamme.
La tension de contrôle répond selon une progression exponentielle et doit-être appliquée sur l'entrée FM, le niveau de modulation est réglable grâce au potentiomètre FM LEVEL.

Chacun des signaux (dent de scie montante, triangle, sinus et carré) dispose de sa propre sortie. De plus un sélecteur à six position permet de router les signaux vers une sortie inverseuse.

Le coeur de cet oscillateur est basé sur un circuit de J. Brice paru en 1976 .
La partie de conversion des formes d'onde est conçu à partir de circuits élémentaires très classiques tels que des aditionneurs de tension, inverseur de tension, redressement double alternance et distorsion.
La période d'oscillation est visualisée grâce une DEL jaune dont la brillance est liée au signal présent sur la sortie SQUARE.

Schéma





Circuit imprimé et implantation des composants

Circuit imprimé






Implantation







Schéma électrique au format PDF

Dessin du C.I. au format PDF


Composants et instructions de montage

reférénce
valeur
nombre
U1
7555 (version CMOS du 555)
1
U2,U3
TL074
2
U4
LM741 or TL071
1
Q1
BC557B
1
Q3
BC547
2
Q2
BS170
1
D1,D2,D3*,D4*
1N4148 , appairées pour une meilleure performance
4
R1,R2
10 2
R13
820 1
R5,R18,R25,R30,R33,R36
1K 6
R29 1.5K 1
R16
2.7K 1
R40
4.7K 1
R10 8.2K 1
R3,R41,R42
10K 3
R8
12K 1
R28,R37,R39
15K 3
R27
22K 1
R12
27K 1
R22
50.1K or 49.9K 1
R4,R6,R7,R9,R11,R14,R15,R19,R20,
R21,R34,R35,R44
100K 13
R24,R26
150K 2
R17,R23
200K 2
C7
120p
1
C8
1n
1
C3,C5,C9
10n
3
C4
47n
1
C10,C11,C12
100n
3
C6a
1u
1
C6b
10uF
1
C1,C2
22uF
2
T2a,T2b
10K multi-tour 2
T1,T3
47K or 50K multi-tour
2
P1
10K lin
1
P2
47K lin
1
LD1
yellow LED
1
SW1
commutateur DPDT
1
SW2
commutateur rotatif 6 pos. 1
JK1..JK6
socle jack
6
Notez que R43 est monté hors circuit imprimé.
C6a et C6b ainsi que T2a et T2b sont commutés par le commutateur "x1 x0.1" voir le câblage ci-dessous .

Câblage


Face avant
Conception façade


Téléchargez la sérigraphie de la façade sous la forme d'un fichier PDF

Download the silkscreen mask as a JPEG file

Ajustement et réglages


  1. Réglez le potentiomètre FM. MOD. sur minimum (à fond sens trigo) et le potentiomètre RATE sur le maximum (à fond sens horaire)
  2. Basculez le commutateur de gamme sur x1 (ce qui sélectionne C1a de 1µF et T2a)
  3. Connectez un oscilloscope sur la sortie SAWTOOTH
  4. Vérifiez que vous obtenez une rampe en dent de scie bien linéaire et ayant une amplitude de 10V,  si la rampe n'est pas linéaire (par exemple incurvée) alors vérifiez C1a (et changez la éventuellement, utilisez une capacité au tantale neuve)
  5. Ajustez T2a de façon à ce que la dent scie oscille entre -5V to +5V
  6. Connectez l'oscilloscope sur la sortie TRIANGLE
  7. Ajustez T2a de façon à obtenir un triangle bien symétrique
  8. Puis ajustez T3 de façon à ce que le triangle oscille entre -5V to +5V
  9. Connectez l'oscilloscope sur la sortie SINEWAVE
  10. Ajustez T3 de façon à obtenir la sinusoïde la plus correcte possible
  11. Connectez l'oscilloscope sur la sortie SQUARE
  12. Manipulez le potentiomètre PULSE WIDH et vérifiez que le rapport cyclique varie entre 20% to 80%
  13. Basculez le commutateur de gamme sur x0.1 (ce qui sélectionne C1b 10µF et T2b)
  14. Connectez l'oscilloscope sur la sortie TRIANGLE
  15. Ajustez T2b de façon à obtenir un triangle bien symétrique
  16. Basculez le commutateur de gamme sur  x1
  17. Tournez le potentiomètre RATE sur le minimum (à fond sens trigo)
  18. Ajustez T1 de façon à obtenir une période d'oscillation d'environ 10s (fréquence 0.1Hz)
  19. Vérifiez la synchronisation du  LFO en envoyant une impulsion sur l'entrée SYNCH

Références


Wireless Word june 1976, J. L. Brice, Voltage-controlled ramp generator


retour au sommaire