Update july  8th, 2017

Dual balanced modulator

(ring modulator)
En français
back to summary


Description

The balanced modulator or four quadrant multiplier, is a great classical module. it provides the same functions as those of a ring modulator. Its main purpose is to generate  sounds with a complex overtone content such as bell sounds and other klang tones !
The principle of this circuit is based on a Gilbert cell (see references at the end of this page) contained in the classical LM1496 IC.


Basically, if one feeds the A input with a sinewave with frequency f1, that is sin(2πf1), and the B input with a sinewave with frequenc f2, that is sin(2πf2), one gets at the output the product these two signals, that is sin(2πf1) x sin(2πf2).

Due to trigonomic properties it reads :

 sin(2πf1) x sin(2πf2) = sin(2π(f1+f2)) + sin(2π(f1-f2))

in other words the output is a mixture of two sinewaves, one with frequency f1+f2 and the other with frequency f1-f2.

As nowadays, the LM/MC 1496 tends to be hard to source in its thru-hole package, I have redesigned the PCB as a double layer PCB with imprints for both the thru-hole package and the SMD package. If you are lucky enough to get TH packages you may use the single layer PCB version (using the Bottom layer only) .

Link to the old page


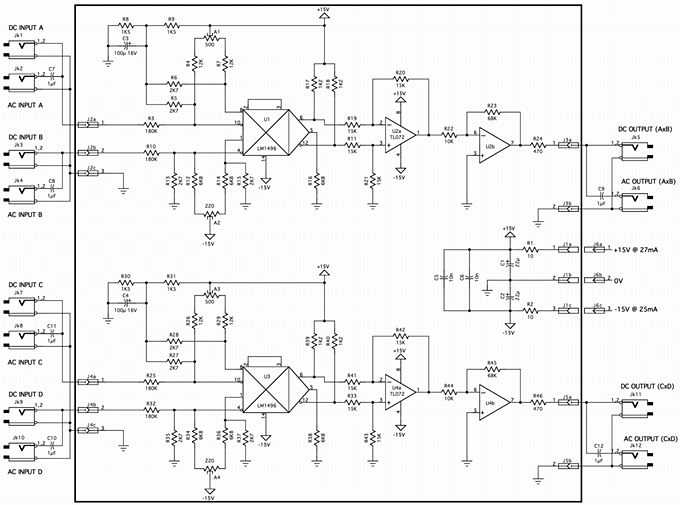
Schematic diagram



The schematic of this balanced modulator is directly inspired by that of the Elektor's Formant (which is a mere adaptation of the application schematic of the LM1496 datasheet, see at the end of this page). I have only changed the values of the input resistors in order to make the input signal levels compatible with the Moog/Dotcom standards (10V peak to peak) I also added an output stage that amplifies the output signal by 6.8 in order to obtain 10Vpp.

Printed circuit board and component layout

PCB

Bottom layer



Top layer


Component layout

SIngle layer



Double layer + SMD






Download the schematic as a PDF file

Download the PCB (bottom layer) as a PDF file
Download the PCB (top layer) as a PDF file

BEWARE! The document orientation is set such that it can be printed directly on "Press & peel" paper or on a mylar. In the last case, make sure that the side of the mylar with the toner lays on the copper side of the PCB.
Download the layout serigraphy as a PDF file



Building instructions

reference
value
number
U1,U3
LM1496 or MC1496
or SMD version
2
U2,U4
TL072
2
C5,C6
100nF polyester film 2
C1,C2
22µF/25V polarised 2
C3,C4
100µF/25V polarised 2
C7,C8,C9,C10,C11,C12 1µF polyester film unpolarised
6
R1,R2
10 ohms
2
R24,R46
470 ohms
2
R17,R18,R39,R40
1k2* 1%
4
R8,R9,R30,R31 1k5* 1%
4
R5,R6,R13,R15,R27,R28,R35,R37 2k7* 1% 8
R12,R14,R16,R34,R36,R38 6k8
6
R22,R44 10k
2
R4,R7,R26,R29 12k 1%
4
R11,R19,R20,R21,R33,R41,R42,R43 15k 1%
8
R23,R45 68k
2
R3,R10,R25,R32 180k
4
A1,A3
470/500 ohms  multiturn vertical
2
A2,A4
200/220 ohms multiturn vertical
2
Jk1 à Jk12
socle jack 6,35mm
12
Do not forget to solder the four straps. Use 1% resistors when indicated.
Wiring



Front panel
Panel design


Silkscreening


Download the silkscreen mask as a PDF file

Download the silkscreen mask as a JPEG file



Settings and trimming


There are four trimmers to adjust : A1 to A4. These trimmers are used for cancelling the input signals. The settings are quite simple, you will need a signal generator that delivers a sinewave signal with a 10V (peak to peak) output amplitude. Here is how to proceed :
  1. Tune the generator on 1000Hz and set the output level of the generator to 10Vpp.
  2. Connect the output AxB (or CxD) of the module to an audio amplifier. Be sure to set the input potentiometer of the amplifier to a low value : the output level of the module is 10Vpp and most of the audio amplifiers expect an input level that doesn't exceed 1Vpp.
  3. Connect the signal generator to the input A (or C) with a capacitor (AC-INPUT). There, you must hear the 1000Hz signal at the output AxB (or CxD).
  4. Adjust the trimmer A2 (or A4) such that the 1000Hz signal can no longer be heard at the output.
  5. Disconnect the signal generator from input A (or C) and then connect the signal generator to the input B (or D)  with a capacitor (AC-INPUT). There, you must hear the 1000Hz signal at the output AxB (or CxD).
  6. Adjust the trimmer A1 (or A3) such that the 1000Hz signal can no longer be heard at the output.
Now the module is ready to operate. A last check can be done by connecting the 1000Hz signal to both inputs A and B (AC inputs) : there you must hear a single signal of frequency twice as high (2000Hz).


References

LM1496 datasheet 
http://www.alldatasheet.com/datasheet-pdf/pdf/8667/NSC/LM1496.html
Web page dedicated to LM1496
http://www.radiomods.co.nz/integratedcircuits/mc1496.html
I strongly recommend that you visit this page that explains the principle of the Gilbert cell and of the various modulators (2 or 4 quadrants) http://members.tripod.com/michaelgellis/gilbert.html
Le modulateur équilibré d'Elektor http://yusynth.net/archives/Elektor/BalancedModulator-1979.pdf

The DIY builders' gallery
Here are the photographs of the yusynth Dual Ring Mod modules built by other synth geeks around the world.
Thank you  guys for sending me these nice photos.


  

Name :
Pseudo : AndyR1960
Modular project : BroadWave
Location : Manchester, UK
Website : http://www.solarmaxx.co.uk/
Name :  Jordi
Pseudo : vcfool
Modular project :
Location : Manchester, UK
Website :
Name  : Federic Monti
Pseudo : Zarko
Modular project:
Location
Gardanne, France
Web site :


back to summary